การวัดความกลม
การวัดความกลมคือการวัดความกลมของส่วนตัดขวางที่เป็นวงของเพลา ท่อ หรือกรวยทรงกลม เพื่อตรวจสอบว่าเป็นวงกลมที่แม่นยำเพียงใด
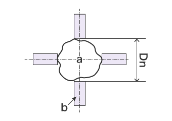
แบบร่างตัวอย่าง

การใช้ไมโครมิเตอร์

- a
- ชิ้นงาน
- b
- ขั้ววัดของไมโครมิเตอร์
วัดสองจุดรอบนอกโดยแบ่งออกเป็น 4 ถึง 8 ส่วน ความกลมเป็นค่าที่ได้จากการนำผลต่างระหว่างค่าสูงสุดและค่าต่ำสุดมาหารด้วย 2
โดยจะใช้เพียงไมโครมิเตอร์เท่านั้นในการวัด คุณจึงสามารถทำการวัดได้ทุกที่อย่างง่ายดาย
- ความกลม = (Dmax - Dmin) / 2
- Dmax: ค่าสูงสุด
- Dmin: ค่าต่ำสุด
ข้อเสีย
การวัดมีความแม่นยำในระดับหนึ่ง เนื่องจากเป็นค่าเฉลี่ยของการวัดจาก 2 จุดเท่านั้น นอกจากนี้ยังอาจเกิดข้อผิดพลาดขึ้นจากจุดการวางขั้ววัดของไมโครมิเตอร์บนชิ้นงานที่แตกต่างกันได้ และคุณยังต้องป้อนข้อมูลในคอมพิวเตอร์เพื่อวิเคราะห์ข้อมูลด้วย
การใช้เครื่องมือวัดพิกัด (CMM)

- a
- ชิ้นงาน
- b
- แผ่นพื้นผิวเรียบ
วางสไตลัสลงบนจุดที่จะวัดความกลม 4 จุดหรือมากกว่า
ค่าที่วัดได้จะถูกคำนวณด้วยวิธีกำลังสองน้อยที่สุด ซึ่งจะทำให้ผลรวมของความเบี่ยงเบนจากจุดการวัดทั้งหมดจะมีค่าน้อยที่สุด
- หน้าจอแสดงผลการวัด
-

- a
- ผลการวัดความกลม


