ส่วนที่มีปริมาณเนื้อวัสดุเหลือมากที่สุด (MMC)
จะใช้ส่วนที่มีปริมาณเนื้อวัสดุเหลือมากที่สุดเมื่อออกแบบให้ชิ้นส่วนสองชิ้นประกบกัน
ตัวอย่างเช่น การออกแบบให้เพลาพอดีกับท่อ ข้อมูลจำเพาะนี้จะทำให้มั่นใจได้ว่าเพลาจะพอดีกับท่อภายใต้เงื่อนไขส่วนที่มีปริมาณเนื้อวัสดุเหลือมากที่สุด (MMC) และยังป้องกันไม่ให้มีการใช้เกณฑ์ความคลาดเคลื่อนของขนาดมากเกินไป เพื่อหลีกเลี่ยงกรณีที่เพลาไม่พอดีกับท่อ
- คืออะไร
- การจัดการเกณฑ์ความคลาดเคลื่อนของขนาด
- การแสดงส่วนที่มีปริมาณเนื้อวัสดุเหลือมากที่สุดโดยใช้ไดอะแกรมเกณฑ์ความคลาดเคลื่อนแบบไดนามิก
คืออะไร
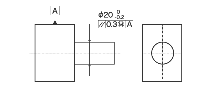
คุณจะต้องเขียน ต่อจากเกณฑ์ความคลาดเคลื่อนของขนาดในกรอบควบคุม Feature เพื่อใช้ข้อกำหนดของส่วนที่มีปริมาณวัสดุเหลือมากที่สุด “M” หมายถึงส่วนที่มีปริมาณวัสดุเหลือมากที่สุด (MMC) สัญลักษณ์นี้จะระบุถึงการใช้ข้อกำหนดของส่วนที่มีปริมาณวัสดุเหลือมากที่สุด

การจัดการเกณฑ์ความคลาดเคลื่อนของขนาด
เมื่อใช้ส่วนที่มีปริมาณวัสดุเหลือมากที่สุดจะต้องทำตามเกณฑ์ความคลาดเคลื่อนของขนาดเสมอ อย่างไรก็ตาม หากเกณฑ์ความคลาดเคลื่อนของขนาดเบี่ยงเบนไปจากขนาดวัสดุสูงสุด ก็จะสามารถเพิ่มส่วนต่างให้กับเกณฑ์ความคลาดเคลื่อนของรูปทรงเรขาคณิตเพื่อสร้างขนาดเสมือนได้
-
ส่วนที่มีปริมาณเนื้อวัสดุเหลือมากที่สุด

-
ส่วนเสมือน

- a
- ขนาดเสมือน
การแสดงส่วนที่มีปริมาณเนื้อวัสดุเหลือมากที่สุดโดยใช้ไดอะแกรมเกณฑ์ความคลาดเคลื่อนแบบไดนามิก
ไดอะแกรมเกณฑ์ความคลาดเคลื่อนแบบไดนามิกเป็นเครื่องมือที่ใช้แสดงความเปลี่ยนแปลงในขอบเขตความคลาดเคลื่อนของเกณฑ์ความคลาดเคลื่อนของขนาด และเกณฑ์ความคลาดเคลื่อนของรูปทรงเรขาคณิต เมื่อกำหนดเกณฑ์ความคลาดเคลื่อนของรูปทรงเรขาคณิตบนแกนแนวตั้ง และเกณฑ์ความคลาดเคลื่อนของขนาดบนแกนแนวนอน จะสามารถแสดงความแปรผันของทั้งเกณฑ์ความคลาดเคลื่อนของขนาด และเกณฑ์ความคลาดเคลื่อนของรูปทรงเรขาคณิตได้พร้อมกัน นอกจากนี้ การใช้งานส่วนที่มีปริมาณเนื้อวัสดุเหลือมากที่สุดยังสามารถกำหนดเกณฑ์ความคลาดเคลื่อนโบนัสที่เกิดขึ้นเมื่อเกณฑ์ความคลาดเคลื่อนของรูปทรงเรขาคณิตเพิ่มขึ้นได้อีกด้วย

- a
- เพลา
- b
- โครงสร้าง

- a
- ความตรง
- b
- เกณฑ์ความคลาดเคลื่อนของขนาดเพลา
- c
- เกณฑ์ความคลาดเคลื่อนของขนาดท่อ


