ส่วนที่มีปริมาณเนื้อวัสดุเหลือน้อยที่สุด (LMC)
ส่วนที่มีปริมาณวัสดุเหลือน้อยที่สุดจะใช้ในการจัดการขนาดและตำแหน่งของรู รวมถึงความหนาของวัสดุ
ตัวอย่างเช่น หากรูของชิ้นส่วนมีขนาดหรือตำแหน่งที่ไม่แม่นยำตามส่วนที่มีปริมาณเนื้อวัสดุเหลือน้อยที่สุด (รูมีขนาดใหญ่ที่สุด) ชิ้นส่วนจะมีความแข็งแกร่งไม่เพียงพอและอาจแตกหักได้ ข้อกำหนดของส่วนที่มีปริมาณวัสดุเหลือน้อยที่สุดจะมีประโยชน์สำหรับการออกแบบชิ้นส่วนที่มีข้อกำหนดด้านพื้นที่อย่างเข้มงวด
- การใช้ส่วนที่มีปริมาณเนื้อวัสดุเหลือน้อยที่สุด
- คืออะไร
- ตัวอย่างการระบุส่วนที่มีปริมาณเนื้อวัสดุเหลือน้อยที่สุด
การใช้ส่วนที่มีปริมาณเนื้อวัสดุเหลือน้อยที่สุด
สภาวะที่ไม่เป็นที่ต้องการมากที่สุดในด้านการออกแบบความหนาคือ เมื่อเส้นผ่านศูนย์กลางของรูมีขนาดใหญ่ (ขนาดของวัสดุน้อยที่สุด) และตำแหน่งของรูอยู่ใกล้กับขอบ ในทางตรงกันข้าม เมื่อเส้นผ่านศูนย์กลางของรูมีขนาดเล็ก (ส่วนที่มีปริมาณเนื้อวัสดุเหลือมากที่สุด) จะสามารถรักษาความแข็งแกร่งไว้ได้แม้รูจะอยู่ใกล้กับขอบก็ตาม

- a
- ด้านข้างของรูอยู่ใกล้กับขอบมากเกินไป รูอาจจะเสียหายได้
คืออะไร
คุณจะต้องเขียน ต่อจากเกณฑ์ความคลาดเคลื่อนของขนาดในกรอบควบคุม Feature เพื่อใช้ส่วนที่มีปริมาณวัสดุเหลือน้อยที่สุด ในบางกรณีอาจต้องใช้สัญลักษณ์ Datum “L” หมายถึงส่วนที่มีปริมาณวัสดุเหลือน้อยที่สุด (LMC) สัญลักษณ์นี้จะระบุถึงการใช้ข้อกำหนดของส่วนที่มีปริมาณวัสดุเหลือน้อยที่สุด

ตัวอย่างการระบุส่วนที่มีปริมาณเนื้อวัสดุเหลือน้อยที่สุด
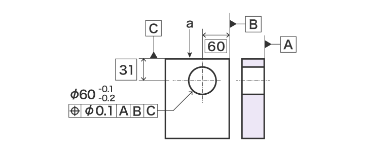
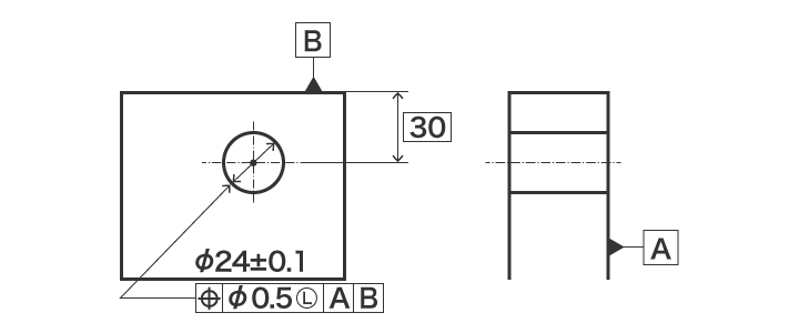
แบบร่างต่อไปนี้คือตัวอย่างของการระบุส่วนที่มีปริมาณเนื้อวัสดุเหลือน้อยที่สุดสำหรับขอบและรู เมื่อระบุความหนาน้อยที่สุดโดยใช้ตำแหน่ง
เมื่อใช้กับขอบเขตความคลาดเคลื่อนของขนาด จะใช้ข้อมูลจำเพาะของตำแหน่งเป็น Φ0.5 เฉพาะเมื่อเส้นผ่านศูนย์กลาง รู 24 อยู่ในส่วนที่มีปริมาณเนื้อวัสดุเหลือน้อยที่สุด Φ24.1 เกณฑ์ความคลาดเคลื่อนของรูปทรงเรขาคณิตจะเพิ่มขึ้นเมื่อรูมีขนาดเล็กลง



